-
-
-
Tổng tiền thanh toán:
-
Size: 200, 250, 350, 400, 500, 650, 750, 850, 1000
Tỉ số truyền: 1/8 ~ 1/50
Vật liệu vỏ găng
Hộp giảm tốc máy đùn gạch 650
Hộp giảm tốc máy đùn gạch 650 hay còn gọi là hộp số giảm tốc máy đùn 650 size 250 1/31.5 là kiểu hộp số bánh răng trụ nghiêng, trọng tải cao và lực momen khỏe để chuyên việc nặng.
HỘ GIẢM TỐC MÁY ĐÙN GẠCH TUYNEL CÔNG NGHỆ CƯỠNG BỨC CHÂN KHÔNG HAI CẤP THẾ MỚI THEO CÔNG NGHỆ ITALIA
Hộp giảm tốc máy đùn gạch 650 có những ưu điểm gì?
Nhiệt luyện bánh răng gia công từ hợp kim thép có % Carbon thấp đạt được độ cứng bề mặt răng khoảng HRC58-62 sau đó xử lý mài CNC tạo được bề mặt răng có độ chính xác cao, tiếp xúc - ăn khớp tốt hơn kéo dài tuổi thọ sử dụng.
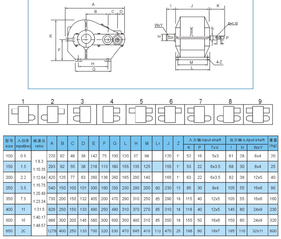
Có 9 kiểu hộp số giảm tốc máy đùn gạch 650 như sau:
1 trục vào, 1 trục ra (chữ U hoặc chữ Z)
2 trục vào, 1 trục ra
2 trục ra, 1 trục vào


Thông số kích thước hộp giảm tốc máy đùn gạch 650, trục ra, trục vào khác phía
Tổng dài = 1280 mm
Tổng cao = 795 mm
Tổng ngang = 860 mm
Chiều dài chân đế = 830 mm
Đường kính trục vào (trục nhanh, trục nhỏ) = 60 mm
Đường kính trục ra (trục truyền động, trục lớn) = 110 mm
Khoảng cách tâm trục vào tới tâm trục ra = 650 mm


linh kện thay thế máy đùn gạch 650



