-
-
-
Tổng tiền thanh toán:
-
Hộp giảm tốc JZQ 250
Size: 200, 250, 350, 400, 500, 650, 750, 850, 1000
Tỉ số truyền: 1/8 ~ 1/50
Vật liệu vỏ găng
Hộp giảm tốc JZQ 250 còn gọi là hộp số giảm tốc JZQ size 250 là kiểu hộp số bánh răng trụ nghiêng, trọng tải cao và lực momen khỏe để chuyên việc nặng.
Ứng dụng Hộp giảm tốc ZQ cho các ngành công nghiệp, máy móc nào?
Lĩnh vực giảm tốc bánh răng trụ được sử dụng rộng rãi trong các thiết bị luyện kim; thiết bị khai thác khai khoáng mỏ quặng; thiết bị trong ngành sản xuất vật liệu xây dựng như xi-măng, gạch, ngói.. ; ngành cẩu trục - máy tời; thiết bị tự động hóa, máy móc thực phẩm, thiết bị đóng gói, thiết bị thuốc lá ...



Đơn vị chuyên cung cấp Hộp giảm tốc ZQ chất lượng, giá tốt nhất
MITACO cung cấp các mã của Hộp giảm tốc ZQ series đến Quý khách hàng thân thiết như: ZQ200, ZQ250, ZQ350, ZQ400, ZQ500, ZQ650, ZQ750, ZQ850, ZQ1000, với đa dạng các tỉ số truyền sau: 8,23 10,35 12,64 15,75 20,49 23,34 31,50 40,17 48,57
Tỉ số truyền thường gặp là:
Hộp giảm tốc ZQH (ZQA, JZQ) 2 cấp: giảm 20, 10, 30, 40, 50 lần
Hộp giảm tốc ZQD 3 cấp: Tốc độ giảm được 65.5 lần tới hơn 300.1 lần
Môi trường làm việc: Ép bột gỗ thành bàn ghế, vôi ra bột xi măng, luyện thép đồng nhôm, đúc gang, nâng đá làm cầu, lấy than ra khỏi mỏ, đào vàng, thanh lọc dầu mỏ, kéo tàu thuyền, nâng vật liệu xây dựng, nghiền đá, nghiền gỗ ra củi, xây trạm trộn bê tông xây nhà.
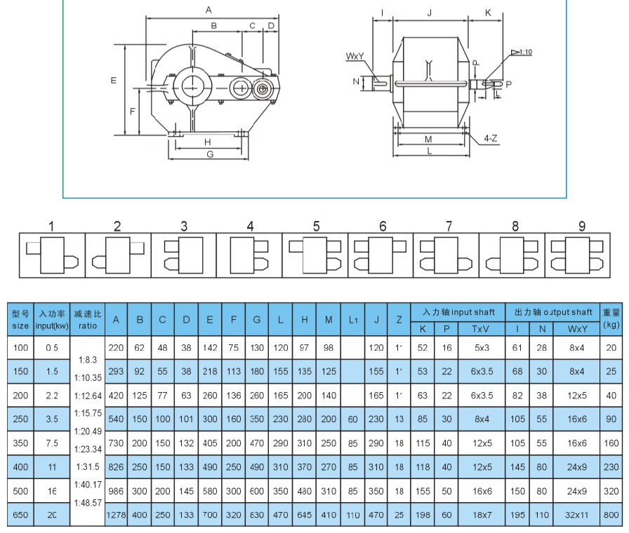
Trọng lượng Hộp giảm tốc ZQ 250 khoảng: 85 tới 100 kilogram. Trọng tải khoảng: 850 tới 1850 kilogram. Gọi là ZQ 250 vì từ tâm trục ra tới tâm trục vào khoảng cách là 250 mm.
Có 9 kiểu hộp số giảm tốc ZQ size 250 như sau:

1 trục vào, 1 trục ra (chữ U hoặc chữ Z)
2 trục vào, 1 trục ra
2 trục ra, 1 trục vào
1) Thông số kích thước hộp giảm tốc ZQ 250, trục ra, trục vào khác phía


Tổng dài = 540 mm
Tổng cao = 325 mm
Tổng ngang = 420 mm
Chiều dài chân đế = 345 mm
Đường kính trục vào (trục nhanh, trục nhỏ) = 30 mm
Đường kính trục ra (trục truyền động, trục lớn) = 55 mm
Khoảng cách tâm trục vào tới tâm trục ra = 250 mm
3) Chọn tốc độ trục ra cho hộp số ZQ 250 bánh răng trụ
a) Hộp số ZQ 250, 2 cấp
Tốc độ trục ra khoảng = 140 vòng khi tỉ số truyền = ratio = 10 (vì 1400/10 = 140 vòng)
Tốc độ trục ra = 112 khi tỉ số truyền = ratio = 12.5 tới 12.64
Tốc độ trục ra = 93 khi tỉ số truyền = ratio = 15 tới 15.75
Tốc độ trục ra = 70 khi tỉ số truyền = ratio = 20 tới 20.49
Tốc độ trục ra = 56 khi tỉ số truyền = ratio = 23
Tốc độ trục ra = 44 khi tỉ số truyền = ratio = 31.55
Tốc độ trục ra = 35 khi tỉ số truyền = ratio = 40 – 40.17
Tốc độ trục ra = 28 khi tỉ số truyền = ratio = 48 – 50
Tỉ số truyền của Hộp giảm tốc ZQ?
linh kiện hộp giảm tốc zq 200


Đơn vị chuyên cung cấp hộp giảm tốc ZQ xuất xứ China có các cấp tỉ số truyền thực là 8,23 10,35 12,64 15,75 20,49 23,34 31,50 40,17 48,57 được quy định theo mã tỉ số truyền theo hãng từ 9, 8, 7, 6, 5, 4, 3, 2, 1
Cách tra mã Hộp giảm tốc bánh răng ZQ?
B1 - Bước đầu tiên Quý khách hàng nên kiểm tra và chụp ảnh thông số trên Tem nhãn (Name plate) được gắn trên Hộp giảm tốc bánh răng ZQ/JZQ cần thay thế. Để nắm được Mã của bộ hộp giảm tốc này và chuyển thông tin cho MITACO (Đơn vị chuyên cung cấp dòng sản phẩm giảm tốc vuông góc)
B2 - Nếu Tem nhãn của hộp giảm tốc bị mờ, không nhìn rõ do quá trình hoạt động lâu năm. Quý khách xin vui lòng chụp ảnh kiểu dáng và đo đạc kích thước đường kính hai trục cho MITACO - Đơn vị sẽ dựa trên thông số kỹ thuật của sản phẩm trên catalog và tư vấn cho Quý khác hàng một cách chính xác và nhanh nhất.