-
-
-
Tổng tiền thanh toán:
-
Size: 200, 250, 350, 400, 500, 650, 750, 850, 1000
Tỉ số truyền: 1/8 ~ 1/50
Vật liệu vỏ găng
Hộp giảm tốc zq 250 1/31.5
Hộp giảm tốc ZQ 250 1/31.5 hay còn gọi là hộp số giảm tốc JZQ size 250 1/31.5 là kiểu hộp số bánh răng trụ nghiêng, trọng tải cao và lực momen khỏe để chuyên việc nặng.
Tỉ số truyền thường gặp là:
Hộp giảm tốc ZQ, JZQ) 2 cấp: giảm 20, 10, 30, 40, 50 lần
Hộp giảm tốc ZQD 3 cấp: Tốc độ giảm được 65.5 lần tới hơn 300.1 lần
Môi trường làm việc: Ép bột gỗ thành bàn ghế, vôi ra bột xi măng, luyện thép đồng nhôm, đúc gang, nâng đá làm cầu, lấy than ra khỏi mỏ, đào vàng, thanh lọc dầu mỏ, kéo tàu thuyền, nâng vật liệu xây dựng, nghiền đá, nghiền gỗ ra củi, xây trạm trộn bê tông xây nhà.
Trọng lượng Hộp giảm tốc ZQ 250 1/31.5 khoảng: 85 tới 100 kilogram. Trọng tải khoảng: 850 tới 1850 kilogram. Gọi là ZQ 250 1/31.5 vì từ tâm trục ra tới tâm trục vào khoảng cách là 250 mm.
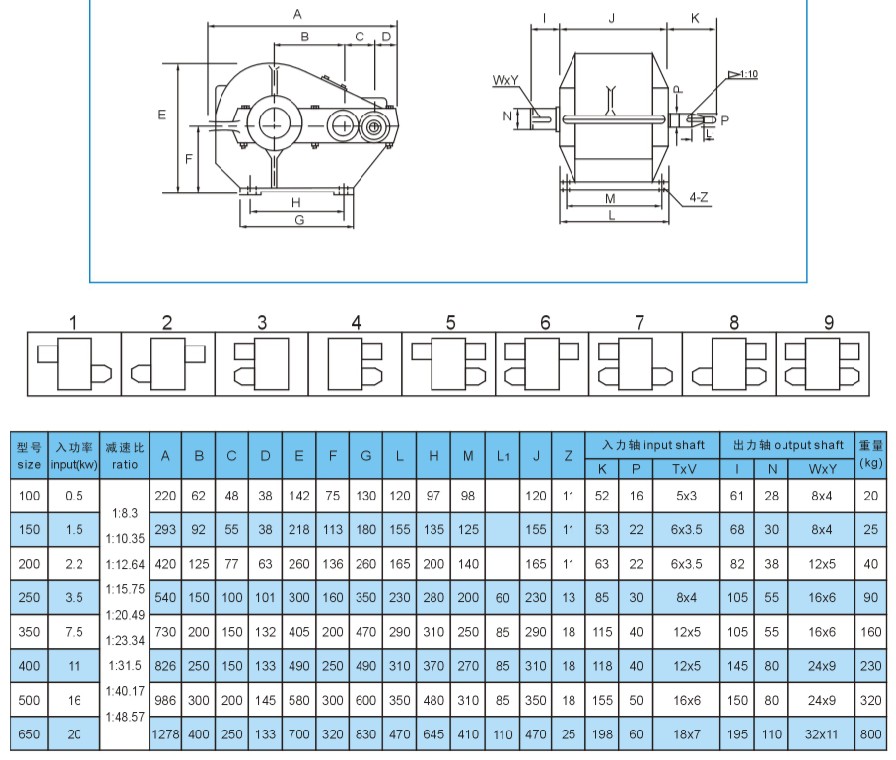
Có 9 kiểu hộp số giảm tốc ZQ size 250 i=31.5 như sau:


1 trục vào, 1 trục ra (chữ U hoặc chữ Z)
2 trục vào, 1 trục ra
2 trục ra, 1 trục vào
Thông số bản vẽ kích thước hộp giảm tốc ZQ 250 i=31.5, trục ra, trục vào khác phía
Bản vẽ hộp giảm tốc ZQ 250 1/20.49 , kiểu chữ Z, tỉ số truyền = ratio = 8, 10, 12.5, 15, 20, 23, 30, 31.5, 40, 50


Tổng dài = 540 mm
Tổng cao = 325 mm
Tổng ngang = 420 mm
Chiều dài chân đế = 345 mm
Đường kính trục vào (trục nhanh, trục nhỏ) = 30 mm
Đường kính trục ra (trục truyền động, trục lớn) = 55 mm
Khoảng cách tâm trục vào tới tâm trục ra = 250 mm
hộp giảm tốc ZQ 250, trục ra, trục vào cùng phía
linh kiện thay thế hộp giảm tốc 250 1/31.5






Hộp số ZQ 250 1/31.5 , 2 cấp
Tốc độ trục ra khoảng = 140 vòng khi tỉ số truyền = ratio = 10 (vì 1400/10 = 140 vòng)
Tốc độ trục ra = 112 khi tỉ số truyền = ratio = 12.5 tới 12.64
Tốc độ trục ra = 93 khi tỉ số truyền = ratio = 15 tới 15.75
Tốc độ trục ra = 70 khi tỉ số truyền = ratio = 20 tới 20.49
Tốc độ trục ra = 56 khi tỉ số truyền = ratio = 25
Tốc độ trục ra = 44 khi tỉ số truyền = ratio = 31.55
Tốc độ trục ra = 35 khi tỉ số truyền = ratio = 40 – 40.17
Tốc độ trục ra = 28 khi tỉ số truyền = ratio = 57 – 50