-
-
-
Tổng tiền thanh toán:
-
Size: 200, 250, 350, 400, 500, 650, 750, 850, 1000
Tỉ số truyền: 1/8 ~ 1/50
Vật liệu vỏ găng
Hộp giảm tốc ZQ 250 1/23.34 có cấu tạo như thế nào?
Hôp giảm tốc ZQ 1/23.34 xuất xứ từ China được cấu tạo bên ngoài có vỏ bằng gang. Khả năng truyền động và tải momen răng. Các bánh răng này được gia công từ vật liệu thép sau đó được nhiệt luyện để tăng độ cứng và được mang đi mài mặt răng bằng máy CNC để tăng độ chính xác
Hộp giảm tốc bánh răng ZQ 1/23.34 có những ưu điểm gì?
- Nhiệt luyện bánh răng gia công từ hợp kim thép có % Carbon thấp đạt được độ cứng bề mặt răng khoảng HRC58-62 sau đó xử lý mài CNC tạo được bề mặt răng có độ chính xác cao, tiếp xúc - ăn khớp tốt hơn kéo dài tuổi thọ sử dụng.

- Thiết kế dạng răng nghiêng nên Hộp giảm tốc ZQ 1/23.34 hoạt động ổn định, khi chạy tiếng ồn thấp.
- Thiết kế vỏ bằng gang nên trọng lượng nhẹ hơn,
- Thiết kế gọn gàng kích thước nhỏ dễ dàng khi mang vác, vận chuyển.
- Dễ dàng tháo rời thay thế mới và thuận tiện cho việc bảo dưỡng định kỳ
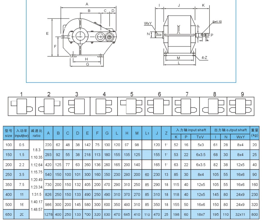
Thông số kỹ thuật của Hộp giảm tốc bánh răng ZQ 1/23.34


Tổng dài = 540 mm
Tổng cao = 325 mm
Tổng ngang = 420 mm
Chiều dài chân đế = 345 mm
Đường kính trục vào (trục nhanh, trục nhỏ) = 30 mm
Đường kính trục ra (trục truyền động, trục lớn) = 55 mm
Khoảng cách tâm trục vào tới tâm trục ra = 250 mm
hộp giảm tốc ZQ 250, trục ra, trục vào cùng phía
linh kiện thay thế hộp giảm tốc zq 250 1/23.34



Ứng dụng Hộp giảm tốc ZQ cho các ngành công nghiệp, máy móc nào?
Lĩnh vực giảm tốc bánh răng trụ được sử dụng rộng rãi trong các thiết bị luyện kim; thiết bị khai thác khai khoáng mỏ quặng; thiết bị trong ngành sản xuất vật liệu xây dựng như xi-măng, gạch, ngói.. ; ngành cẩu trục - máy tời; thiết bị tự động hóa, máy móc thực phẩm, thiết bị đóng gói, thiết bị thuốc lá, máy tu gỗ, máy bóc gỗ, máy đào vang, nhà máy gạch ...
Hộp số ZQ 250 1/23.34 , 2 cấp
Tốc độ trục ra khoảng = 140 vòng khi tỉ số truyền = ratio = 10 (vì 1400/10 = 140 vòng)
Tốc độ trục ra = 112 khi tỉ số truyền = ratio = 12.5 tới 12.64
Tốc độ trục ra = 93 khi tỉ số truyền = ratio = 15 tới 15.75
Tốc độ trục ra = 70 khi tỉ số truyền = ratio = 20 tới 20.49
Tốc độ trục ra = 56 khi tỉ số truyền = ratio = 25
Tốc độ trục ra = 44 khi tỉ số truyền = ratio = 31.55
Tốc độ trục ra = 35 khi tỉ số truyền = ratio = 40 – 40.17
Tốc độ trục ra = 28 khi tỉ số truyền = ratio = 57 – 50


