-
-
-
Tổng tiền thanh toán:
-
Hộp giảm tốc JZQ 200 1/12.64
Size: 200, 250, 350, 400, 500, 650, 750, 850, 1000
Tỉ số truyền: 1/8 ~ 1/50
Vật liệu vỏ: Gang
Hộp giảm tốc JZQ 200 1/12
Hộp giảm tốc ZQ 200 1/12.64 còn gọi là hộp số giảm tốc ZQ size 200 1/12.64 là kiểu hộp số bánh răng trụ nghiêng, trọng tải cao và lực momen khỏe để chuyên việc nặng.

Tỉ số truyền thường gặp là:
Hộp giảm tốc ZQH (ZQA, JZQ) 2 cấp: giảm 20, 10, 30, 40, 50 lần
Hộp giảm tốc ZQD 3 cấp: Tốc độ giảm được 65.5 lần tới hơn 300.1 lần
Môi trường làm việc: Ép bột gỗ thành bàn ghế, vôi ra bột xi măng, luyện thép đồng nhôm, đúc gang, nâng đá làm cầu, lấy than ra khỏi mỏ, đào vàng, thanh lọc dầu mỏ, kéo tàu thuyền, nâng vật liệu xây dựng, nghiền đá, nghiền gỗ ra củi, xây trạm trộn bê tông xây nhà.
Trọng lượng Hộp giảm tốc ZQ 200 khoảng: 85 tới 100 kilogram. Trọng tải khoảng: 850 tới 1850 kilogram. Gọi là ZQ 200 vì từ tâm trục ra tới tâm trục vào khoảng cách là 250 mm.
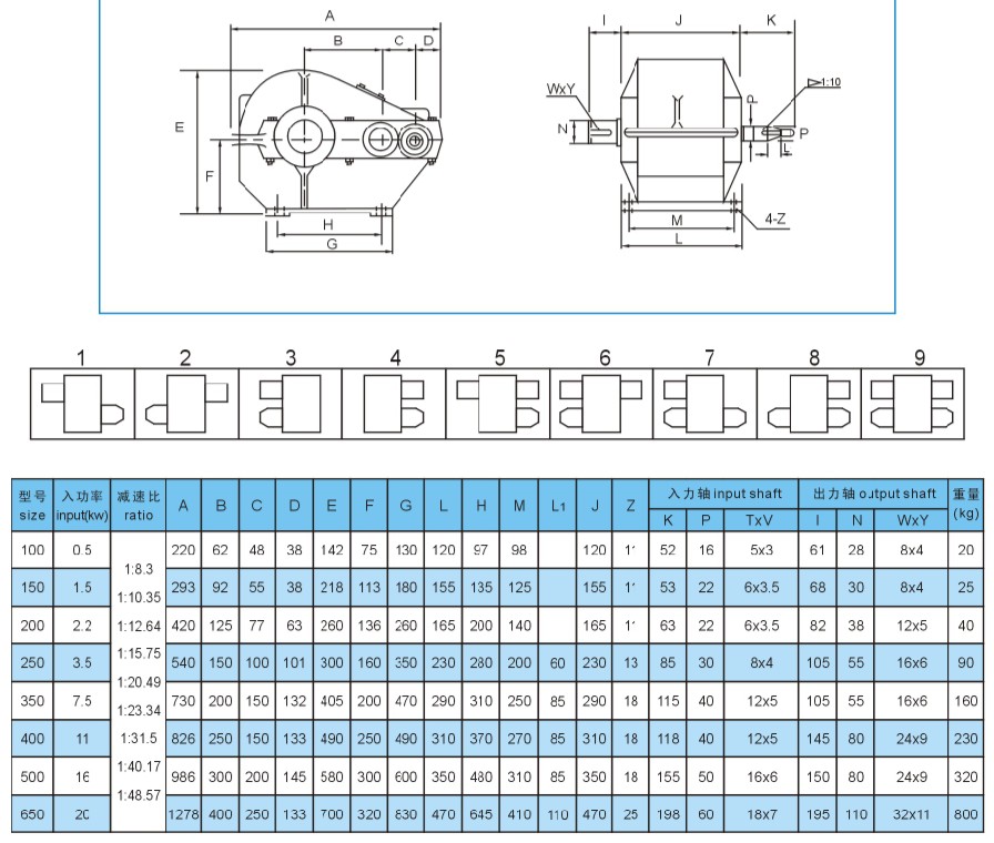
Có 9 kiểu hộp số giảm tốc ZQ size 200 như sau:
1 trục vào, 1 trục ra (chữ U hoặc chữ Z)
2 trục vào, 1 trục ra
2 trục ra, 1 trục vào
1) Thông số kích thước hộp giảm tốc ZQ 200, 1/12.64 trục ra, trục vào khác phía
Bản vẽ Hộp giảm tốc ZQ 200, kiểu chữ Z, tỉ số truyền = ratio = 8, 10, 12.5, 15, 20, 23, 30, 31.5, 40, 50

Bánh răng hộp giảm tốc hộp giảm tốc JZQ200 1/12.64


Chọn tốc độ trục ra cho hộp số ZQ 200 bánh răng trụ
a) Hộp số ZQ 200, 2 cấp
Tốc độ trục ra khoảng = 140 vòng khi tỉ số truyền = ratio = 10 (vì 1400/10 = 140 vòng)
Tốc độ trục ra = 112 khi tỉ số truyền = ratio = 12.5 tới 12.64
Tốc độ trục ra = 93 khi tỉ số truyền = ratio = 15 tới 15.75
Tốc độ trục ra = 70 khi tỉ số truyền = ratio = 20 tới 20.49
Tốc độ trục ra = 56 khi tỉ số truyền = ratio = 25
Tốc độ trục ra = 44 khi tỉ số truyền = ratio = 31.55
Tốc độ trục ra = 35 khi tỉ số truyền = ratio = 40 – 40.17
Tốc độ trục ra = 28 khi tỉ số truyền = ratio = 57 – 50
Chọn công suất motor và lực momen hộp giảm tốc ZQ 200
Động cơ điện 4 pole 1400-1250 vòng phút lắp giảm tốc ZQ 200 sẽ tạo lực momen như sau. Công suất motor sẽ phụ thuộc vào kinh nghiệm lắp đặt và thời gian sử dụng liên tục hay ngừng nghỉ.
Tốc độ trục ra = 140 khi ratio = 10, nên lắp với motor 4.5kw tới 2kw, lực momen = khoảng 230 Nm. Tải hướng kính lớn nhất đặt trên trục ra = 850 tới 1100 kg
Tốc độ trục ra = 112 khi ratio = 12.5 tới 12.64, nên lắp với motor 3.8kw tới 4.7kw, lực momen = khoảng 260 Nm. Tải hướng kính lớn nhất đặt trên trục ra = 900 tới 1150 kg
Tốc độ trục ra = 93 khi ratio = 15 tới 15.75, nên lắp với motor 3kw tới 4.1kw, lực momen = khoảng 290 Nm. Tải hướng kính lớn nhất đặt trên trục ra = 1000 tới 1250 kg
Tốc độ trục ra = 70 khi ratio = 20 tới 20.49, nên lắp với motor 2kw tới 3.7kw, lực momen = khoảng 310 Nm. Tải hướng kính lớn nhất đặt trên trục ra = 1100 tới 1350 kg
Tốc độ trục ra = 56 khi ratio= 25, nên lắp với motor 1.8kw tới 3.1kw, lực momen = khoảng 310 Nm. Tải hướng kính lớn nhất đặt trên trục ra = 1150 tới 1400 kg
Tốc độ trục ra = 44 khi ratio= 31.5, nên lắp với motor 1.35kw tới 2.3kw, lực momen = khoảng 320 Nm. Tải hướng kính lớn nhất đặt trên trục ra = 1250 tới 1550 kg
Tốc độ trục ra = 35 khi ratio= 40 – 40.17, nên lắp với motor 0.95kw tới 2.1kw, lực momen = khoảng 330 Nm. Tải hướng kính lớn nhất đặt trên trục ra = 1350 tới 1700 kg
Tốc độ trục ra = 28 khi ratio= 48.57 – 50, nên lắp với motor 0.8kw tới 1.8kw, lực momen = khoảng 340 Nm. Tải hướng kính lớn nhất đặt trên trục ra = 1450 tới 1850 kg
Lưu ý: công suất motor ta cần làm tròn theo quy trình sản xuất quốc tế: 2.2kw, 3kw, 4kw, 5.5kw, 7.5kw, 11kw, 15kw, 18.5kw, 22kw
Ứng dụng: Kéo tàu thuyền, nâng vật liệu xây dựng, nghiền đá, vôi ra bột xi măng, luyện thép đồng nhôm, đúc gang, nâng đá làm cầu, lấy than ra khỏi mỏ, đào vàng, thanh lọc dầu mỏ, nghiền gỗ ra củi, ép bột gỗ thành bàn ghế, xây trạm trộn bê tông xây nhà.