-
-
-
Tổng tiền thanh toán:
-
Hộp giảm tốc NMRV 110 1/5= 300v/p
Tỷ số truyền 1/5 1/7.5 1/15 1/20 1/25 1/30 1/40 1/50 1/60 1/80 1/100
Lắp motor 2.2kw 3kw 4kw 5.5kw
Vật liệu vỏ thép hợp kim
Hộp giảm tốc NMRV 110 1/7.5 hay hộp số giảm tốc NMRV size 110 i=7.5 là thiết bị kết nối truyền động, giúp điện năng chuyển hóa từ motor điện thành cơ năng. Thông qua hộp số NMRV 110 1/7.5, động cơ điện chạy chậm hơn, tạo ra lực mô men cao hơn, khỏe hơn.

Tại sao nên mua Hộp số giảm tốc NMRV size 110 1/7.5 tại Công ty MITACO ?
Sản phẩm có nguồn gốc rõ ràng, chính hãng 100%, bảo hành theo nhà sản xuất
Cung cấp đầy đủ chứng từ, hóa đơn hàng hóa khi giao hàng.
Đội ngũ tư vấn chuyên nghiệp, đa dạng kênh liên hệ hỗ trợ báo giá nhanh.
Hỗ trợ vận chuyển và lắp đặt tại nhà máy.
Thanh toán trong vòng 30 ngày
Bảo hành 1 Năm
Ứng dụng hộp giảm tốc NMRV trong các nhà máy xay xát, băng chuyền sản xuất thực phẩm. nhà máy gỗ. máy đục tượng, băng tải , máy bóc vỗ,
Thông số kỹ thuật hộp giảm tốc NMRV 110


Trục vít được làm bằng thép tôi nhiệt luyệt tăng độ cứng, chống mài mòn.
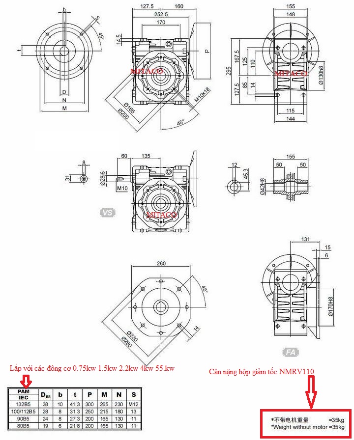
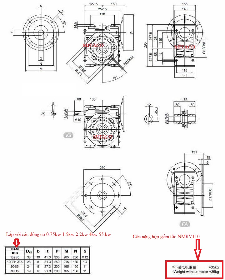
Phù hợp Lắp với motor 1 pha, motor 3 pha mã 100, 112 132
Bản vẽ motor đầu vào hộp giảm tốc NMRV 110 1/7.5


Tốc độ giảm từ 5 đến 100 lần (ratio)
Hộp giảm tốc NMRV size 110 cấu tạo vỏ nhôm, nhẹ, bền
Nhiều mẫu mã: cốt dương, cốt âm, bích B5, bích B14,...




Đây là loại hộp số có dạng trục vít bánh vít, với cấu trúc cốt vào và cốt ra là trục cốt âm, vỏ hộp số được làm bằng thép, trục vít được tiện từ thép siêu bền bỉ, và trục vít được làm bằng đồng. Tất cả sẽ tạo nên một sản phẩm có độ bền bỉ cao.
Tỉ số truyền ratio càng nhỏ thì tốc độ vòng quay trục ra càng lớn, mời quý vị lựa chọn tốc độ vòng quay hộp số NMRV 110 như sau:
Trục ra 280 - 300 vòng/1 phút khi Ratio i = 5, thị trường miền nam gọi là 1/5
Trục ra 190-200 vòng/1 phút khi Ratio i = 7.5, thị trường miền nam gọi là 1/7.5
Trục ra 140 - 150 vòng/1 phút khi Ratio i = 10, thị trường miền nam gọi là 1/10
Trục ra 93 - 100 vòng/1 phút khi Ratio i = 15, thị trường miền nam gọi là 1/15
Trục ra 70 - 75 vòng/1 phút khi Ratio i = 20, thị trường miền nam gọi là 1/20
Trục ra 56 - 60 vòng/1 phút khi Ratio i = 25, thị trường miền nam gọi là 1/25
Trục ra 46.7 - 50 vòng/1 phút khi Ratio i = 30, thị trường miền nam gọi là 1/30
Trục ra 35 - 37.5 vòng/1 phút khi Ratio i = 40,thị trường miền nam gọi là 1/40
Trục ra 28 - 30 vòng/1 phút khi Ratio i = 50, thị trường miền nam gọi là 1/50
Trục ra 23.3 - 25 vòng/1 phút khi Ratio i = 60, thị trường miền nam gọi là 1/60
Trục ra 17.5 - 18.75 vòng/1 phút khi Ratio i = 80, thị trường miền nam gọi là 1/80
Trục ra 14 - 15 vòng/1 phút khi Ratio i = 100, thị trường miền nam gọi là 1/100