-
-
-
Tổng tiền thanh toán:
-
Tỷ số truyền 1/5 1/7.5 1/15 1/20 1/25 1/30 1/40 1/50 1/60 1/80 1/100
Lắp motor 2.2kw 3kw 4kw 5.5kw
Vật liệu vỏ thép hợp kim
Hộp giảm tốc NMRV size 110 1/10
Hộp Giảm Tốc NMRV 110 1/10 hay còn gọi là Hộp Số Giảm Tốc NMRV 110 1/10, Hộp Số NMRV i=10 110. Là loại hộp giảm tốc trục vít mặt bích (mặt loa) vỏ nhôm. Sản xuất theo tiêu chuẩn Italia (Ý), giá cả hợp lý và ứng dụng lớn trong mọi ngành nghề sản xuất.
Hộp Giảm Tốc NMRV 110 thường lắp với motor 5.5kw 7.5kw 4kw 5HP 3 ngựa 4P mặt bích; trục motor: 28 mm
Công ty Mitaco là nhà cung cấp hơn 80 loại hộp số giảm tốc và hơn 50 loại motor giảm tốc. Mời quý vị click vào các đường dẫn mầu đỏ để xem thêm loại khác, hoặc tìm hiểu hộp số giảm tốc trục vít NMRV size 110 1/10 dưới đây:
Tỉ số truyền ratio càng nhỏ thì tốc độ vòng quay trục ra càng lớn, mời quý vị lựa chọn tốc độ vòng quay hộp số NMRV 110 như sau:
Trục ra 280 - 300 vòng/1 phút khi Ratio i = 5, thị trường miền nam gọi là 1/5
Trục ra 190-200 vòng/1 phút khi Ratio i = 7.5, thị trường miền nam gọi là 1/7.5
Trục ra 140 - 150 vòng/1 phút khi Ratio i = 10, thị trường miền nam gọi là 1/10
Trục ra 93 - 100 vòng/1 phút khi Ratio i = 15, thị trường miền nam gọi là 1/15
Trục ra 70 - 75 vòng/1 phút khi Ratio i = 20, thị trường miền nam gọi là 1/20
Trục ra 56 - 60 vòng/1 phút khi Ratio i = 25, thị trường miền nam gọi là 1/25
Trục ra 46.7 - 50 vòng/1 phút khi Ratio i = 30, thị trường miền nam gọi là 1/30
Trục ra 35 - 37.5 vòng/1 phút khi Ratio i = 40,thị trường miền nam gọi là 1/40
Trục ra 28 - 30 vòng/1 phút khi Ratio i = 50, thị trường miền nam gọi là 1/50
Trục ra 23.3 - 25 vòng/1 phút khi Ratio i = 60, thị trường miền nam gọi là 1/60
Trục ra 17.5 - 18.75 vòng/1 phút khi Ratio i = 80, thị trường miền nam gọi là 1/80
Trục ra 14 - 15 vòng/1 phút khi Ratio i = 100, thị trường miền nam gọi là 1/100
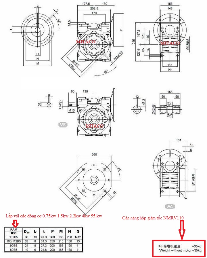
Thông số kỹ thuật hộp giảm tốc NMRV 110
Lắp với motor mã 112: 4kw 3.7kw 4P, 3kw 6P mặt bích
Vỏ nhôm gọn nhẹ xoay được 360 độ mọi tư thế lắp đặt, đưa được vào nơi diện tích chậthẹp
Hộp số 110 NMRV giá tốt, rất rẻ nhưng độ bền cao
Có nhiều tiện ích lắp đặt: mặt bích tròn, vuông, trục âm dương tháo ra lắp vào tùy ý, linh động
Lắp với motor: 1 pha, 3 pha mặt bích
Tỉ số truyền từ 1/7.5 tới 1/200, tốc độ trục ra từ 280 vòng phút tới dưới 1 vòng / 1 phút đáp ứng được muôn vàn nhu cầu.
2) Cách lắp đặt hộp giảm tốc NMRV 110 1/10

Hộp giảm tốc trục vít NMRV dễ dàng lắp đặt xoay 360 độ úp ngửa tùy ý, dễ dàng lắp đặt ở các nơi chật hẹp, không gian hạn chế. Thông số và lắp đặt xem hình dưới đây:
a) Hộp giảm tốc NMRV 110 1/10 trục âm


Đường kính trục âm: 42mm
Đường kính mặt bích: 250mm
Phù hợp lắp với motor mã 112
Công suất motor đầu vào
điện áp 220v 380v


