-
-
-
Tổng tiền thanh toán:
-
Tỷ số truyền 1/5 1/7.5 1/15 1/20 1/25 1/30 1/40 1/50 1/60 1/80 1/100
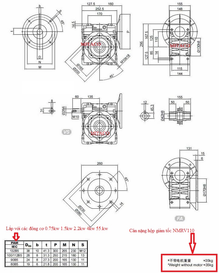
Lắp motor 2.2kw 3kw 4kw 5.5kw
Vật liệu vỏ thép hợp kim
Hộp giảm tốc NMRV size 110 1/20 = 70 vòng trên phút
Hộp Giảm Tốc NMRV 110 1/20 hay còn gọi là Hộp Số Giảm Tốc NMRV 110 1/20, Hộp Số NMRV i=20 110. Là loại hộp giảm tốc trục vít mặt bích (mặt loa) vỏ thép hợp kim, bánh răng đông hợp kim, trục bằng thép 310S, vòng bi của SKF của Đức, vong bi NSK nhật bản . Sản xuất theo tiêu chuẩn Italia (Ý), giá cả hợp lý và ứng dụng lớn trong mọi ngành nghề sản xuất.
Hộp Giảm Tốc NMRV 110 1/20 thường lắp với motor 5.5kw 7.5kw 4kw 5HP 3 ngựa 4P mặt bích; trục motor: 28mm 38mm

Công ty Mitaco là nhà cung cấp hơn 80 loại hộp số giảm tốc và hơn 50 loại motor giảm tốc. Mời quý vị click vào các đường dẫn mầu đỏ để xem thêm loại khác, hoặc tìm hiểu hộp số giảm tốc trục vít NMRV size 110 1/20 dưới đây:
Ứng dụng hộp giảm tốc NMRV trong các nhà máy xay xát, băng chuyền sản xuất thực phẩm máy bóc gỗ, máy đào vang, nhà máy xi măng, nhà máy gạch, nhà máy mía đường, băng tải,
Bản vẽ thông số lắp đặt hộp giảm tốc NMRV 110 1/20 trục âm
Đường kính trục âm: 42mm

Bản vẽ thông số lắp đặt motor đầu vào 2.2kw 3kw 4kw 5.5kw 7.5kw
Điện áp 220v 380v


Tỉ số truyền ratio càng nhỏ thì tốc độ vòng quay trục ra càng lớn, mời quý vị lựa chọn tốc độ vòng quay hộp số NMRV 110 như sau:
Trục ra 280 - 300 vòng/1 phút khi Ratio i = 5, thị trường miền nam gọi là 1/5
Trục ra 190-200 vòng/1 phút khi Ratio i = 7.5, thị trường miền nam gọi là 1/7.5
Trục ra 140 - 150 vòng/1 phút khi Ratio i = 10, thị trường miền nam gọi là 1/10
Trục ra 93 - 100 vòng/1 phút khi Ratio i = 15, thị trường miền nam gọi là 1/15
Trục ra 70 - 75 vòng/1 phút khi Ratio i = 20, thị trường miền nam gọi là 1/20
Trục ra 56 - 60 vòng/1 phút khi Ratio i = 25, thị trường miền nam gọi là 1/25
Trục ra 46.7 - 50 vòng/1 phút khi Ratio i = 30, thị trường miền nam gọi là 1/30
Trục ra 35 - 37.5 vòng/1 phút khi Ratio i = 40,thị trường miền nam gọi là 1/40
Trục ra 28 - 30 vòng/1 phút khi Ratio i = 50, thị trường miền nam gọi là 1/50
Trục ra 23.3 - 25 vòng/1 phút khi Ratio i = 60, thị trường miền nam gọi là 1/60
Trục ra 17.5 - 18.75 vòng/1 phút khi Ratio i = 80, thị trường miền nam gọi là 1/80
Trục ra 14 - 15 vòng/1 phút khi Ratio i = 100, thị trường miền nam gọi là 1/100
Hộp số 110 1/20 NMRV giá tốt, rất rẻ nhưng độ bền cao
Có nhiều tiện ích lắp đặt: mặt bích tròn, vuông, trục âm dương tháo ra lắp vào tùy ý, linh động
Lắp với motor: 1 pha, 3 pha mặt bích
Tỉ số truyền từ 1/7.5 tới 1/200, tốc độ trục ra từ 280 vòng phút tới dưới 1 vòng / 1 phút đáp ứng được muôn vàn nhu cầu.
Hộp giảm tốc trục vít NMRV dễ dàng lắp đặt xoay 360 độ úp ngửa tùy ý, dễ dàng lắp đặt ở các nơi chật hẹp, không gian hạn chế. Thông số và lắp đặt xem hình dưới đây: