-
-
-
Tổng tiền thanh toán:
-
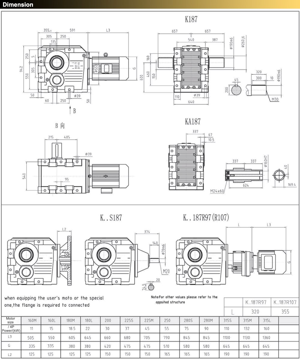
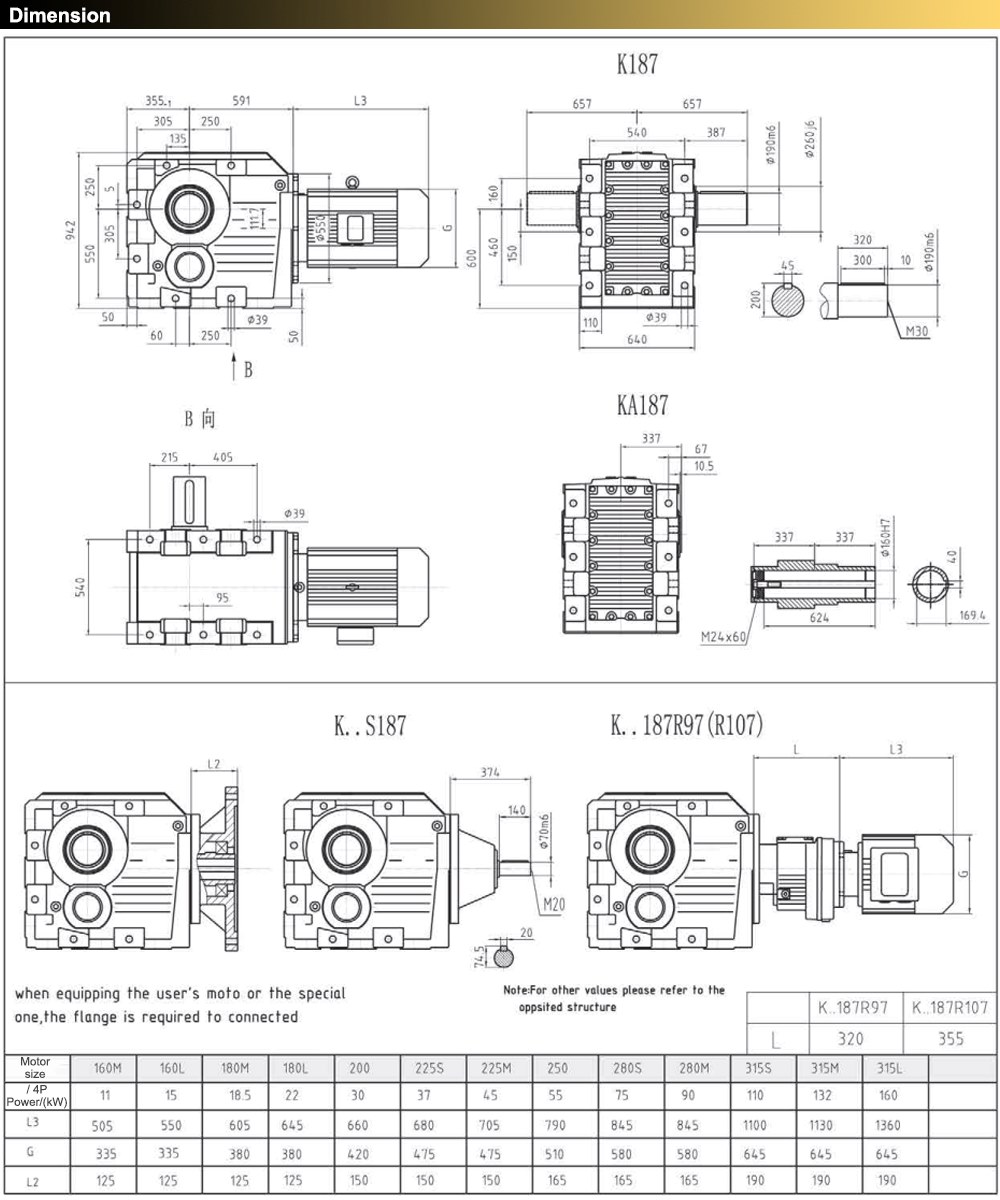
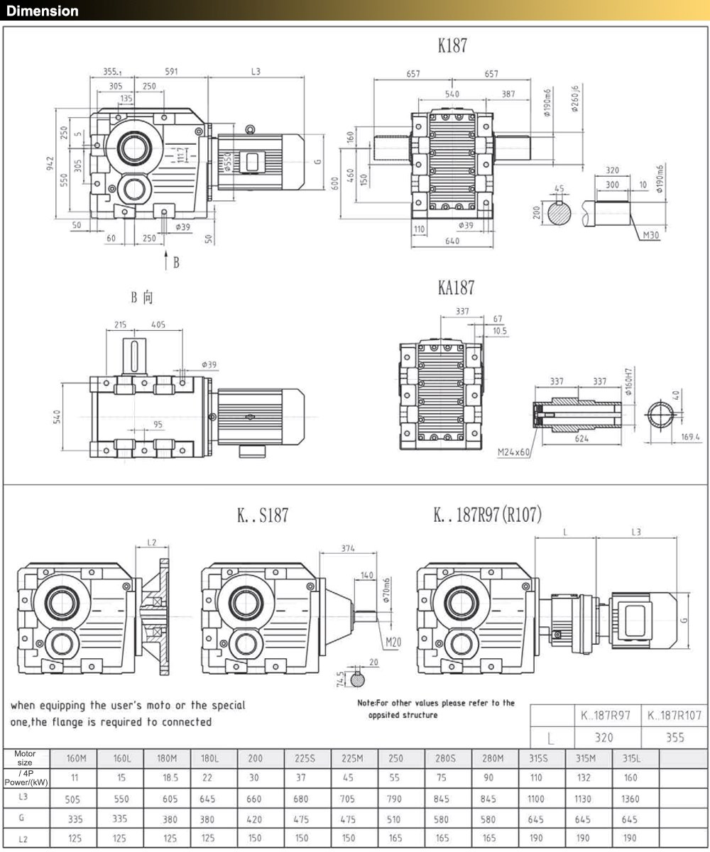
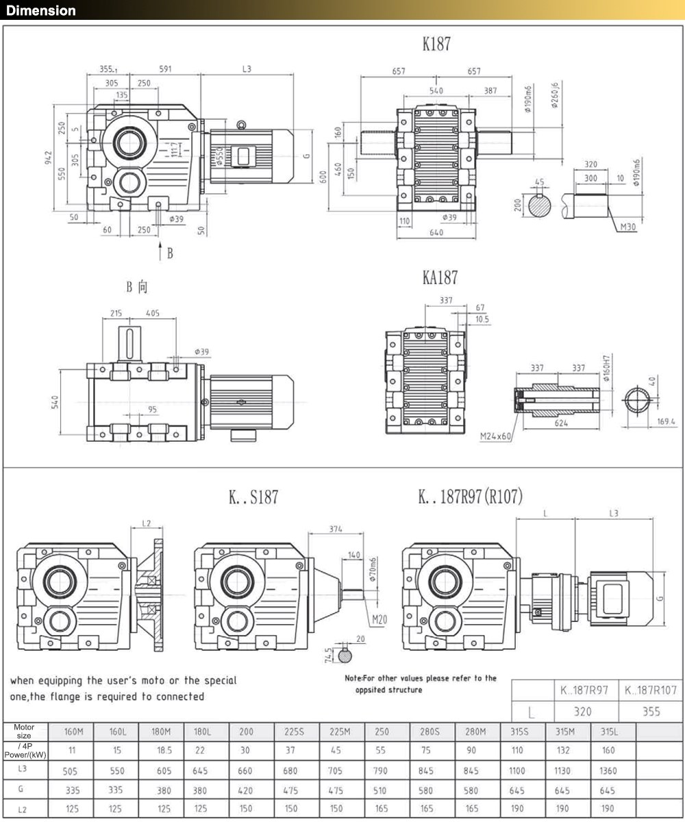
Hộp giảm tốc bánh răng côn 18,5KW 25HP
Kiểu lắp: Trục vuông góc
Công suất: 0.2kW đến 200kW
Tỉ số truyền: 1/3 đến 1/50.000
Điện áp sử dụng: 3pha 220V/380V
Hộp số bánh răng côn mã K là một dạng hộp giảm tốc sử dụng bánh răng côn (bevel gear) để truyền mô-men và thay đổi tốc độ giữa các trục thường giao nhau hoặc vuông góc. Loại hộp số này hiện được ứng dụng rộng rãi trong nhiều ngành công nghiệp nặng, như băng tải, máy nghiền, máy ép, trộn xi măng, sản xuất vật liệu…


Bánh răng côn: Là bánh răng có dạng hình nón, răng được cắt trên bề mặt hình nón, dùng để truyền chuyển động giữa hai trục giao nhau.
Hộp số mã K thường có ký hiệu “K” đứng đầu mã sản phẩm, theo một số tài liệu:“K: hộp số trục ra thường” Hộp Giảm Tốc Mitaco
Vỏ hộp bằng gang hợp kim hoặc thép, các bánh răng được chế tạo từ thép hợp kim và xử lý nhiệt nhằm tăng độ bền. Hộp Giảm Tốc Mitaco+1
Hộp số có thể là dạng trục ra đặc hoặc trục ra rỗng (hollow shaft) tùy kiểu lắp. Hộp Giảm Tốc Mitaco
Làm việc bằng cách: động cơ quay truyền vào trục đầu vào → qua bộ bánh răng côn → trục đầu ra chuyển động với tốc độ và mô-men đã thay đổi.
Tải lớn, mô-men cao: Hộp số bánh răng côn có khả năng truyền tải mô-men lớn, phù hợp cho các ứng dụng tải nặng. Hộp Giảm Tốc Mitaco+1
Thiết kế nhỏ gọn, linh hoạt: Dạng trục vuông góc giúp tiết kiệm không gian và dễ bố trí trong hệ thống máy móc. Hộp Giảm Tốc Mitaco+1
Hoạt động êm và bền: Dùng bánh răng xoắn hoặc côn xoắn (spiral bevel) giúp giảm tiếng ồn, độ rung.
Đa dạng tỷ số truyền: Có thể đạt tỷ số truyền lớn trong một cấp hoặc nhiều cấp, phù hợp nhiều yêu cầu vận tốc và mô-men. Hộp Giảm Tốc Mitaco
Hộp số bánh răng côn mã K được sử dụng trong:
Dây chuyền băng tải gầu, vít tải, máy trộn xi măng.
Máy nghiền, máy ép, máy cán thép, máy xử lý vật liệu.
Máy móc trong nông nghiệp như máy xay, máy bón phân, máy sấy.
Thiết bị nâng hạ, máy cẩu, máy đào trong ngành xây dựng.
Xác định công suất động cơ (kW hoặc HP), tốc độ đầu vào và đầu ra mong muốn.
Chọn tỷ số truyền (i) phù hợp để đạt tốc độ đầu ra và mô-men yêu cầu. (Ví dụ: i = 5 → tốc độ đầu ra = 1/5 tốc độ đầu vào)
Kiểm tra kiểu trục: trục đặc hay rỗng, kích thước đường kính trục, lỗ then…
Kiểu lắp đặt: trục vuông góc, đầu ra trục ngang hay trục dọc.
Môi trường làm việc: có bụi bẩn, hơi ẩm, tải sốc hay không – từ đó chọn vật liệu và khả năng bảo vệ thêm.
Luôn bổ sung và thay dầu truyền động đúng loại, đúng nhớt theo khuyến nghị nhà sản xuất.
Kiểm tra định kỳ mức dầu, nhiệt độ, độ rung và tiếng ồn khi vận hành.
Lắp đặt hộp số ở nơi khô, thoáng, tránh nhiệt độ môi trường vượt quá khuyến nghị.
Khi lắp ráp cần căn chỉnh khe hở bánh răng, độ sát khít và độ đồng tâm để tránh mài mòn nhanh chóng.
Chúng tôi cung cấp hộp số mã K với đa dạng kích cỡ từ nhỏ đến lớn, phù hợp cho mọi ứng dụng công nghiệp.
Chất lượng đảm bảo, linh kiện từ thép hợp kim, bánh răng gia nhiệt, vỏ gang đúc chắc chắn.
Hỗ trợ tư vấn tỷ số truyền, kiểu trục, kiểu lắp đặt sao cho phù hợp hệ thống hiện tại của bạn.
Hậu mãi: bảo hành, cung cấp phụ kiện thay thế dễ dàng, hướng dẫn kỹ thuật tận nơi.