-
-
-
Tổng tiền thanh toán:
-
Điện áp 380v 50Hz IP55
Công suất 0.55 - 132kw
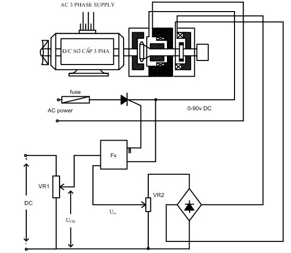
Động cơ VS (Motor VS) là một động cơ gắn khớp từ có khả năng điều chỉnh được tốc độ máy công tác.
Khớp từ thực chất là một khớp ly hợp mà thao tác "ly" và "hợp" được thực hiện bởi từ trường một chiều của nam châm điện. Tùy theo từ trường này mạnh hay yếu dẫn đến lực từ liên kết giữa trục động cơ và trục máy công tác mạnh hay yếu và cuối cùng là tốc độ trên đầu trục của máy công tác là nhanh hay chậm. Ta có thể điều chỉnh trơn tốc độ ra trục máy công tác bằng bộ điều khiển điện áp một chiều nối với cuộn dây của khớp từ.
2. Cấu tạo, nguyên lý hoạt động của động cơ VS
2.1. Cấu tạo của động cơ VS

Đông cơ VS có 2 phần chính là động cơ và cuộn dây VS được điều khiển bởi bộ điều khiển VS (VS motor controller)
Ngoài ra, còn bộ phận như trục động cơ, ống lót động cơ sơ cấp, rô to động cơ sơ cấp, stato động cơ sơ cấp,...
2.2. Nguyên lý hoạt động của động cơ VS

Khi động cơ sơ cấp quay, ống lót gắn trên trục sơ cấp cũng quay theo. Tốc độ quay bằng tốc độ quay của trục sơ cấp. lúc này ta bắt đầu cấp nguồn điện 1 chiều vào nam châm điện, dưới tác dụng của từ trường nam châm điện càng lớn thì lực điện từ sinh ra càng lớn dẫn đến tốc độ quay của trục thứ cấp càng lớn.
- Tốc độ quay của của trục thứ cấp luôn nhỏ hơn hoặc bằng tốc độ của trục sơ cấp.
- Như vậy khớp nối giữa trục sơ cấp và trục ra thứ cấp được thực hiện bằng từ trường của Nam châm và được gọi là khớp từ hay khớp nối mềm.
- Tốc độ trục thứ cấp được điều chỉnh tùy theo đặc tính tải từ 130 v/p đến 1300 v/p.
