-
-
-
Tổng tiền thanh toán:
-
Động cơ tang trống phòng cháy nổ
Động cơ tang trống phòng cháy nổ
Động cơ tang trống được sản xuất lần đầu vào năm 1953, là dòng sản phẩm chuyên dùng cho các ứng dụng băng tải. Với kết cấu nhỏ gọn, hiệu suất cao, không bị ảnh hưởng bởi bụi, nước, dầu, mỡ hoặc các chất có hại… hơn thế việc lắp đặt, vận hành đơn giản, hầu như không yêu cầu bảo trì khiến cho động cơ tang trống Rulmeca phổ biến và trở thành một trong những hệ thống băng tải đai hiệu quả và an toàn nhất trên thế giới trong các lĩnh vực khai thác mỏ và xử lý vật liệu rời toàn cầu.
Động cơ tang trống Rulmeca có bảo vệ IP66/67, tuân thủ tiêu chuẩn an toàn ANSI 535.4 và ISO 3864-2 và được bảo hành dài hạn. Được sản xuất theo tiêu chuẩn Châu Âu - tiêu chuẩn 2006/95 / EC về thiết bị điện và 2004/108 / EC về tương thích điện từ.
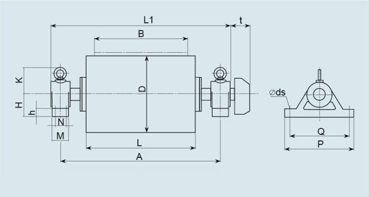
Thông số kỹ thuật của động cơ tang trống
Dãy công suất động cơ tang trống (kW): Từ 0.1 đến 200kw
Đường kính tang (pulley): 138, 165, 220, 320, 400, 500, 630,800
Chiều dài động cơ tang: Theo chiều rộng băng tải
Điện áp động cơ: 1 pha, 3 pha, bất kỳ điện áp theo yêu cầu
Vận tốc băng tải: 0.06 đến 4.5 (m/s)
Vật liệu động cơ tang: Thép, thép không gỉ, thép có bọc cao su…
Các phụ kiện động cơ tang: Thắng (phanh), bộ chống quay ngược…


