- 
														
 - 
														
- 
																Tổng tiền thanh toán:
 
 - 
																
 
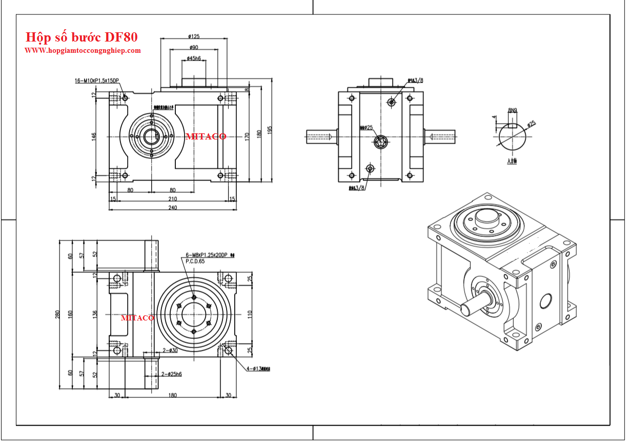
Hộp số bước DF70 DF80
Số Bước 2, 4, 6, 8, 10, 12, 14, 16,
Size hộp số bước DF45, DF50, DF60, DF70
Động cơ bước DF70-DF80 là một trong những sản phẩm tiên tiến và mạnh mẽ nhất trong dòng động cơ bước hiện đại. Được thiết kế với công nghệ hàng đầu, DF70-DF80 đem lại hiệu suất cao, độ tin cậy vững chắc và sự linh hoạt trong các ứng dụng đa dạng. Hãy cùng chúng tôi khám phá những đặc điểm nổi bật và lợi ích mà động cơ này mang lại cho ngành công nghiệp của bạn.



DF70-DF80 được thiết kế với công nghệ tiên tiến, giúp tối ưu hóa hiệu suất vận hành. Với công suất đáng kinh ngạc, động cơ này đảm bảo sức mạnh cần thiết để xử lý những ứng dụng khó khăn nhất. Tính ổn định cao và độ chính xác trong việc kiểm soát vận tốc làm cho DF70-DF80 trở thành lựa chọn hàng đầu cho các ứng dụng yêu cầu độ chính xác cao.
Với kết cấu chắc chắn và chất lượng vật liệu cao cấp, DF70-DF80 đảm bảo độ tin cậy vững chắc trong mọi điều kiện làm việc. Động cơ này được thiết kế để đối mặt với môi trường khắc nghiệt và vận hành liên tục mà không gặp sự cố. Điều này giúp giảm thời gian chết máy và tăng hiệu suất làm việc của bạn.
DF70-DF80 không chỉ là một biểu tượng của hiệu suất mà còn là một mô hình tiêu thụ năng lượng hiệu quả. Sử dụng công nghệ tiên tiến, động cơ này giúp giảm lượng tiêu thụ năng lượng mà vẫn duy trì hiệu suất cao. Điều này không chỉ giúp giảm chi phí mà còn đóng góp tích cực vào nỗ lực bảo vệ môi trường.
Khả năng linh hoạt của DF70-DF80 là một trong những ưu điểm quan trọng. Được thiết kế để tích hợp dễ dàng vào các hệ thống khác nhau, động cơ này là sự lựa chọn hoàn hảo cho nhiều ứng dụng khác nhau như máy in, máy CNC, và các hệ thống tự động hóa công nghiệp khác.
Động cơ bước DF70-DF80 là biểu tượng của sự kết hợp giữa hiệu suất, độ tin cậy và tiết kiệm năng lượng. Với khả năng linh hoạt rộng lớn, đây là sự lựa chọn lý tưởng cho nhiều ứng dụng công nghiệp. Hãy đặt niềm tin vào DF70-DF80 để đưa hành trình sản xuất của bạn lên một tầm cao mới.